YABO鸭脖
欢迎访问本网站
设为首页
加入收藏
网站地图
首页
|
工作职责
|
新闻通知
|
政策法规
|
规章制度
|
党政工作
|
资源下载
|
学校首页
1
2
3
4
5
通知公告
更多>>
YABO鸭脖采购代理机构增补...
内蒙古自治区财政厅关于印发《内蒙...
学校召开2024年招标采购培训会
《决定》为继续做好政府采购工作提...
发挥采购人主体责任 缩小采购需求与...
“透明度是政府采购的生命线”——...
内蒙古:八类项目应采用远程异地评审
“一招三年”的服务项目,采购人可...
当前位置:
首页
>>
中标(成交)公告
>>
正文
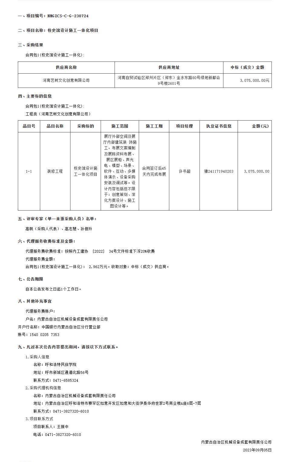
YABO鸭脖校史馆设计施工一体化项目结果公告
2023年09月06日 15:17
点击:[]
上一条:
YABO鸭脖文化公寓建设服务项目中标结果
【
关闭
】